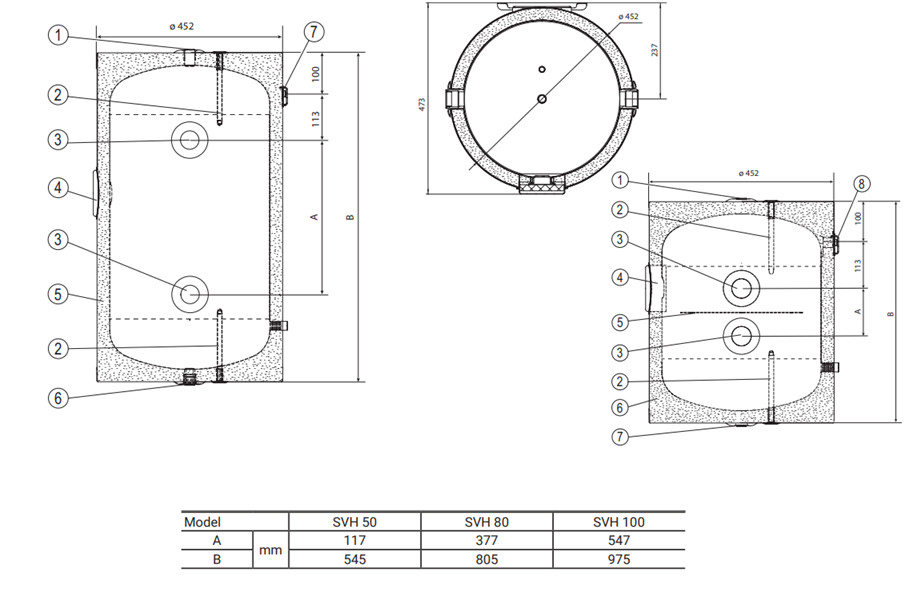
Fűtési - hűtési fali puffer tártály 80 literes hőszivattúhoz - hőcserélő nélküli hőszigetelt tartály hideg és melegvíz tárolás céljára
Ára: 99 000 Ft/db
